![]()
用途:
SZF型惯性振动热料输送机是一种兼有锁风功能长距离输送设备 。适用于输送各种中等块度以正反散粒状物料及水平输送(≤500℃)高温高磨耗物料 ,如烘干热矿渣、水泥熟料等 。适用于水泥立窑窑下 ,做料封出料机 。
SZF型惯性振动热料输送机采用两台振动电机作为激振动源 ,运用自同步原理 ,两台振动电机反向转动 ,使输送机底部平衡架产生往复振动 ,经过主振簧与导向板簧的作用 ,带动上部输送槽振动 ,从而达到输送物料的目的 。SZF型惯性振动热料输送机是一种通用输送机械 ,除用于水泥行业外 ,还可用于冶金、矿山、化工、电力等行业 ,是一种理想的新型输送设备 。
特 点:
(1)输送距离长 ,输送量大 ,能耗低 ,噪音小 ,输送高温物料时不用热态调整 。
(2)结构简单、安装方便 ,磨损小 ,维修工作量小 。
(3)性能稳定、工作可靠 ,起动、停车快且平稳 。
(4)可多点进出料 ,隔振性能好 ,库顶库底均可采用 。
(5)全封闭结构 ,做水平料封出料机时 ,锁风效果良好 。
![]()
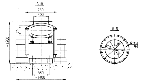
技术性能参数:
1.输送量:50t/h
2.机槽宽度:400mm
3.输送长度:6-30m
4.整机功率:输送长度小于10m时为1.5kw×2
输送长度在10m至20m时为2.2kw×2
输送长度在20m至30m时为3kw×2
5.整机外型(高×宽):1200×730mm
6.设备重量:输送机每米重量约350kg 。
![]()

外形



南通vwin德赢网官方下载重工机械有限公司司座落在vwin德赢网官方下载的长江入海口北侧、绿茵如毯的江海平原上 ,东临黄海 ,南达沪杭 ,西通宁扬 ,北接盐阜、扼守苏中交通与中国最大的工业城——上海隔江相望 ,距大型港口城市——南通仅70余公里 。境内新长铁路、宁启铁路、204国道、328国道纵横交 汇 ,交通条件极为便捷 。公司内vwin德赢网官方下载优雅、花木宜人 ,花园般的厂区 vwin德赢网官方下载让人心旷神怡

南通vwin德赢网官方下载重工机械有限公司主要生产各种规格的矿山机械、输送机械、振动输送机 、振动给料机 、振动筛分机、仓壁振动器、板式给料机等等 ,公司拥有先进的设备 ,优秀的技术 。公司经过改制、重组后 ,积极建立、健全和完善现代企业制度 ,逐步形成了一套有效、高效的运 行机制和管理模式 ,企业正以全新的面貌谱写vwin德赢网官方下载发展征程上新的华章 。公司一直致力于产品结构的调整优化 。
高品质的产品使南通vwin德赢网官方下载重工机械有限公司赢得了较好的市场信誉 。目前 ,vwin德赢网官方下载机械正以体制股份化、制度规范化、运营科学化、管理现代化企业的行列;正以雄厚的实力、先进的产品、多样的品类、优质的工艺在国内同行业中异军突起 ,好评不断!

南通vwin德赢网官方下载重工机械有限公司
电话:0513-88773999
地址:宁波省海安县研发区佛山南海东路(东)八号

- 皮带式输送机
- 皮带式输送机具有输送量大、结构简单、维修方便、部件标准化等优点 ,广泛应用于矿山、冶金、煤炭等行业 ,用来输送松散物料或成件物品 。

- 链斗输送机
- LD系列链斗输送机是以沿轨道运行的料斗来水平或倾斜输送物料的设备 ,广泛应用于电站、矿山、煤炭等行业的各种松散物料的输送 。

- 刮板输送机
- Fu刮板输送机广泛用于建材、建筑、化工、矿山、机械、冶炼、粮饲加工等行业 。

- 粉体输送
- LS型螺旋输送机是常用的粉体输送设备 ,该粉体输送机是化工、医药、农药、化肥、染料、冶金、矿山、食盐、砼外加剂、塑料、建材、粮食、饲料等行业理想的输送设备 。

- 板链输送机
- 板链输送机适用于形状不规则物品的重载输送 。

- 输煤皮带机
- TD皮带输送机(TD型通用固定式带式输送机)的特点是托辊安装在固定的机架上 ,机架是落地式的 ,是一种常用的输煤皮带机 。

- 皮带输送
- 皮带输送机是经济型输送设备 ,高速、平稳 ,噪音低 ,可以上下坡传送 。运用输送带的连续或间歇运动来输送100KG以下的物品或粉状、颗状物品 。

- 伸缩式皮带输送机(伸缩式皮带机)
- 伸缩式皮带输送机(伸缩式皮带机)普遍应用于港口、码头、车站、机场、仓库、矿山、邮电、电器、轻工、食品等行业 。

- 带输送
- 皮带输送机是经济型输送设备 ,高速、平稳 ,噪音低 ,可以上下坡传送 。
.jpg)
- 可弯曲刮板输送机
- 可弯曲刮板输送机要适用于一般中、小型煤矿井下缓倾斜煤层炮采工作面内输送煤炭 ,如在中部槽上部增设挡板 ,增加可弯曲刮板输送机输送断面亦可在中间巷道内使用 。
.jpg)
- 粉料螺旋输送机
- 粉料螺旋输送机输送能力大 ,运距长 ,粉料螺旋输送机还可在输送过程中同时完成若干工艺操作 ,所以粉料螺旋输送机应用十分普遍 。
.jpg)
- 有轴螺旋输送机
- 有轴螺旋输送机用于传输工业生产过程中产生的各种废物及滤渣 ,城市给排水vwin德赢网官方下载栅输出栅渣 ,污泥脱水中输送泥饼等物料 。

- 多底板往复式输送机
- 多底板往复式输送机输送机工作vwin德赢网官方下载温度通常为-20~40℃ ,输送物料的温度一般为-20~80℃ ,多底板往复式输送机适宜水平和小倾角布置 ,倾角以不超过15°为宜 。

- 轻型输送机
- 轻型输送机适用于大多数规则和不规则物品的输送 ,如:箱装、袋装、散件、小件、颗粒 。

- 轻型皮带输送机
- 轻型皮带输送机是一种经济型输送设备 ,可以用来实现对微小物品的输送 。
.jpg)
- 圆管带式输送机
- 圆管带式输送机可密闭输送物料 。不飞扬 ,不洒落 ,不泄漏 。因回程分支输送带成管状 ,所以不必担心黏附在输送带上的物料洒落 ,同时也防止了管外物料的混入 ,实现无害化输送 ,净化了vwin德赢网官方下载 。
.jpg)
- 水泥螺旋输送机
- 螺旋机不宜输送易变质的、粘性大的、易结块的物料 ,因为这些物料在输送时会粘结在螺旋上 ,并随之旋转而不向前移动或者在吊轴承处形成物料的积塞 ,而使螺旋机不能正常工作 。

- 皮带运输机
- 皮带输送机是经济型物料输送机 ,运用输送带的连续或间歇运动输送100kg以下的物品或粉状、颗装物品 。

- 胶带输送机
- 结构简单、输送量大、维修方便、通用性强 ,根据工艺要求 ,既可单机输送也可多机或与其它输送机结成物料的输送系统 。

- 皮带机
- 皮带机是皮带输送机的简称 ,皮带机运用输送带的连续或间歇运动来输送各种轻重不同的物品 ,既可输送各种散料 ,也可输送各种纸箱、包装袋等单件重量不大的件货 ,用途广泛 。

- 埋刮板输送机
- 埋刮板输送机产品广泛适用于冶金、建材、电力、化工、水泥、港口、码头、煤炭、矿山、粮油、食品、饲料、等行业和部门 。

- 电机振动
- 电机振动输送机可设置多层输送或加层筛网 ,配用变频调速器 ,可实现运行中调速 。
- 爬坡皮带输送机
- 爬坡皮带输送机是爬坡皮带输送机的简称 ,是皮带输送机的一种 。运用输送带的连续或间歇运动输送500kg以下的物品或粉状、颗装物品 。
- 管式电机振动输送机
- 管式电机振动输送机的工作vwin德赢网官方下载温度为-15℃~+40℃ 。主要有平型(B=300~1200mm)、V型(B=300mm)和槽型(B=400~1200mm)三种 。

- 煤矿输送机
- 煤矿输送机广泛地应用在矿山、冶金、煤炭等部门 ,用来输送松散物料或成件物品 ,根据输送工艺要求 ,可以单台输送 ,也可多台组成或与其他输送设备组成水平或倾斜的输送系统 ,以满足不同布置型式的作业线需要 。

- 煤矿皮带输送机
- 带式输送机是一种常见的煤矿皮带输送机 ,是以连续方式运输物料的机械 。

- 螺旋输送机
- 螺旋输送机是一种连续输送设备 。

- 煤矿刮板输送机
- 煤矿刮板输送机的作用不仅是运送煤和物料 ,而且还是采煤机的运行轨道 ,因此它成为现代化采煤工艺中不可缺少的主要设备 。

- 破碎机输送机
- 皮带输送机具有输送量大、结构简单、维修方便、部件标准化等优点 ,广泛地应用在矿山、冶金、煤炭等部门 ,用来输送松散物料或成件物品,是常用的破碎机输送机 。

- 链条输送
- 链条输送机是在承载链条上 ,可以直接用链条作为输送载体或者每节链条之间再加上一较高的承载滚子附件来承载货物 。

- 螺旋输送设备
- LS螺旋输送机利用螺旋旋转而非输送物料 ,适用于输送各种粉状、粒状、小块状等非粘性的散状物料 ,如水泥、煤粉、砂、小块煤、炭黑等 。

- 垂直螺旋输送机
- 优点:具有完全密封、对物料无污染、工艺布置简单、占用空间少、保养成本低、价格性能比高等优点 。

- 鳞板输送机
- 鳞板输送机适用于输送块粒及粉状物料 ,是水泥厂物料设备更新换代产品 ,具有运转率高 ,使用寿命长 ,安装维修简单等特点 。常用于输送散状物料 ,也适应于锐利灼热物料的输送 。
- 无轴螺旋输送机
- 扭距大、能耗低 。由于螺旋无轴 ,物料不易堵塞 ,排料口不堵塞 ,因而可以较低速度运转 ,平稳传动 ,降低能耗 。扭距可达4000N·m 。

- 铸石刮板输送机
- XGZ型系列铸石槽刮板输送机广泛应用于电厂、选煤厂、港口、矿山、冶金、化工等行业输送煤炭及粉、粒、块状散料 。
- 皮带输送机
- 皮带输送机主要由机架、输送皮带、皮带辊筒、张紧装置、传动装置等组成 。机身采用优质钢板连接而成 ,由前后支腿的高低差形成机架 ,平面呈一定角度倾斜 。机架上装有皮带辊筒、托辊等 ,用于带动和支承输送皮带 。有减速电机驱动和电动滚筒驱动两种方式 。

- 连续输送机
- DS型斗式连续输送机输送链为套筒滚子链 ,连续斗式结构 ,用于高温熟料的水平、大倾角(可达60度)输送 。

- 矿用皮带机,矿用皮带输送机
- 矿用皮带输送机(矿用皮带机)广泛应用于采矿、冶金、化工、铸造、建材等行业的输送和生产流水线以及水电站建设工地和港口等生产部门 。

- 矿用胶带输送机
- 矿用胶带输送机主要用于煤矿的煤炭输送 ,亦用于冶金、化工、电厂、码头等行业的物料运输 。

- 矿用刮板输送机
- 矿用刮板输送机属于煤矿运输机械 。
- 带式输送机传动装置
- 可伸缩胶带输送机与普通胶带输送机的工作原理一样 ,是以胶带作为牵引承载机的连续运输设备 ,它与普通胶带输送机相比增加了储带装置和收放胶带装置等 ,当游动小车向机尾一端移动时 ,胶带进入储带装置内 ,机尾回缩;反之则机尾延伸 ,因而使输送机具有可伸缩的性能 。
.jpg)
- 移动皮带机
- DY系列可移动式带式输送机又叫DY移动带式输送机、DY移动皮带机、DY移动式皮带机是一种工效高 ,使用 ,机动性好的连续输送装卸设备 。主要用于装卸地点经常变更动的场所 ,用来短途运输及装卸散料或单件重量100公斤以下的成件物品 。

- 小型皮带输送机
- 小型皮带输送机根据市场需要开发的新型输送机 ,具有占地面积小、安装方便、输送量大等优点 。

- 可伸缩带式输送机
- DSJ可伸缩带式输送机(矿用带式输送机)主要用于综合机械化采煤工作面的顺槽运输 ,也可以用于一般采煤工作面的顺槽和巷道掘进运输系统 。

- 绞龙输送机
- 绞龙输送机是一种固定装置的机械输送设备 ,绞龙输送机适用于粮食油料饲料等颗粒状或粉状物料的垂直或大倾斜输送 。

- 皮带输送机(皮带式输送机)
- 皮带输送机主要由机架、输送皮带、皮带辊筒、张紧装置、传动装置等组成 。机身采用优质钢板连接而成 ,由前后支腿的高低差形成机架 ,平面呈一定角度倾斜 。机架上装有皮带辊筒、托辊等 ,用于带动和支承输送皮带 。有减速电机驱动和电动滚筒驱动两种方式 。

- 双螺旋输送机
- 双螺旋输送机适用于颗粒或粉状物料的水平输送 ,倾斜输送 ,垂直输送等形式 。

- 管式螺旋输送机
- 管式螺旋输送机是利用螺旋旋转而推移物料的连续输送设备 ,适用输送面粉、谷类、水泥、化肥、灰渣、沙子、石子、煤粉、小块煤等物料 。

- 管链式输送机
- 管链式输送机是输送粉状、小颗粒状及小块状等散状物料的连续输送设备 ,在密闭管道内 ,以链片为传动构件带动物料沿管道运动 。

- 刮板输送机链条
- 刮板输送机链条是刮板输送机的主要工作部件 ,输送物料时 ,运动中的链条和刮板作为一个整体 ,在封闭的壳体内带动物料完成输送 ,根据输送物料的要求 ,选择适合于不同刮板要求的链条

- 刮板式输送机
- 刮板式输送机系列产品广泛适用于冶金、建材、电力、化工、水泥、港口、码头、煤炭、矿山、粮油、食品、饲料、等行业和部门 。

- 粉体输送机
- 管链式粉体输送机是输送粉状、小颗粒状及小块状等散状物料的连续输送设备 ,可以水平、倾斜和垂直组合输送 。广泛应用于化工 ,化纤 ,农药矿石 ,食品工业 ,建筑材料等到行业 。

- 粉料输送机
- 螺旋粉料输送机输送能力大 ,运距长 ,螺旋粉料输送机还可在输送过程中同时完成若干工艺操作 ,所以螺旋粉料输送机应用十分普遍 。

- 大倾角带式输送机
- 大倾角带式输送机是能大量节省设备占地面积 ,彻底解决了普通、花纹带式输送机所不能达到的输送角度 ,从水平到倾斜(或垂直)能平稳过渡且能耗低 ,结构简单 ,维修方便的输送机 。

- 大倾角波状挡边输送机
- 大倾角波状挡边输送机广泛用于煤炭、粮食、建材、化工、水电和冶金等部门 。

- 不锈钢螺旋输送机
- 不锈钢螺旋输送机广泛使用在各种工业部门 ,如建材、电力、化工、冶金、煤炭、铝镁、机械、轻工、粮食及食品行业 。

- 胶带输送机(td75型)
- td75型胶带输送机由于输送量大 ,结构简单 ,维修方便 ,成本低 ,通用性强等优点而广泛地在冶金、煤炭、交通、水电部门中用来输送散装物料或成件物品 。
.jpg)
- 曲柄振动输送机(ZPL型)
- 南通vwin德赢网官方下载重工机械有限公司主要生产各种规格的矿山机械、输送机械、给料机械、振动筛、破碎机、振动机械等等 ,公司拥有先进的设备 ,一流的技术 。

- 皮带输送机(td75)
- TD75皮带输送机广泛应用于冶金、煤炭、水电、交通等部门 ,输送散状物料或成件物品 。

- 带式输送机(TD75)
- 南通vwin德赢网官方下载重工机械有限公司主要生产各种规格的矿山机械、输送机械、给料机械、振动筛、破碎机、振动机械等等 ,公司拥有先进的设备 ,一流的技术 。

- 螺旋输送机(ls)
- LS螺旋输送机利用螺旋旋转而非输送物料 ,适用于输送各种粉状、粒状、小块状等非粘性的散状物料 ,如水泥、煤粉、砂、小块煤、炭黑等 。可实现封闭输送 ,防止粉尘飞扬 。

- 螺旋输送机(gx)
- gx螺旋输送机是利用螺旋转动将物料沿机壳连续推移而进行输送的 。

- 提升输送机
- TD、D型斗式提升输送机是常用的是常用的小型自动提升机 ,属于提升输送设备 ,该提升设备适用于垂直输送粉状、粒状及小块状的磨琢性较小的散状物料 ,如粮食、煤、水泥、碎矿石等 。

- 螺旋式输送机
- 螺旋式输送机广泛应用于各行业 ,如建材、化工、电力、冶金、煤矿炭、粮食等行业 。

- 粮食输送机,粮食输送设备
- 粮食输送机是一种移动转向式皮带输送机 ,是一种常见粮食输送设备 ,主要用于平房仓的散装进仓作业 。粮食输送机主要由输送部分 ,转向部分和行走部分组成 。主要适用于大、中型粮食仓库的进仓作业 。

- 链斗式输送机
- 链斗式输送机是以沿轨道运行的料斗来水平或倾斜输送物料的设备 。它广泛应用于电站、矿山、冶金、煤炭、化工、建材等行业的各种松散物料的输送 。

- 链板式输送机
- 链板式输送机是以大节距特种弯板链条为传送介质 ,由于链板式输送机的线体结构及输送介质较为坚固 ,带动金属面板作循环往复运行的一种输送装配设备 。

- 矿用输送机
- 矿用输送机适用于矿山、冶金、煤炭、化工、水电、码头、砂石场等行业中运输散状或成品物料之用 。

- 垂直振动输送机(ZC)
- 南通vwin德赢网官方下载重工机械有限公司主要生产各种规格的矿山机械、输送机械、给料机械、振动筛、破碎机、振动机械等等 ,公司拥有先进的设备 ,一流的技术 。

- 矿业输送设备
- 埋刮板输送机是输送粉尘状、小颗粒及小块状等物料的连续运输设备 ,可以水平、倾斜输送 ,输送物料时 ,刮板链条全埋在物料之中 。本机具有结构简单 ,使用可靠 ,造价低廉 ,输送距离长 ,并能输送灼热物料等优点 ,是常用的矿业输送设备 。

- 管式输送机
- LS型螺旋管式输送机适用于各行业 ,如建材、化工、电力、冶金、煤炭、粮食等行业 ,适用于水平或倾斜输送粉状、粒状和小块状物料 ,如煤、灰、渣、水泥、粮食等 。

- 大倾角胶带输送机
- 大倾角胶带输送机可广泛用于煤炭、粮食、建材、化工、水电和冶金等部门,在vwin德赢网官方下载温度为-19℃~+40℃范围内,输送堆积比重为0.5-2.5t/m3的各种散状物料 。

- 螺旋输送机(GLS型)
- 南通vwin德赢网官方下载重工机械有限公司主要生产各种规格的矿山机械、输送机械、给料机械、振动筛、破碎机、振动机械等等 ,公司拥有先进的设备 ,一流的技术 。

- 波纹挡边输送机
- 大倾角波纹挡边输送机是散状物料连续输送设备 ,采用的是具有波纹挡边和横隔板的输送带 。因此波纹挡边输送机特别适用于大倾角(最大90°)连续输送物料 。广泛用于煤炭、粮食、建材、化工、水电和冶金等部门 。

- 粮食输送机械
- 移动粮食输送机是一种常见粮食输送机械 ,主要用于平房仓的散装进仓作业 。粮食输送机主要由输送部分 ,转向部分和行走部分组成 。主要适用于大、中型粮食仓库的进仓作业 。

- 移动皮带输送机
- DY型移动皮带输送机是一种工效高 ,使用安全可靠 ,机动性好的连续输送装卸设备 。主要用于装卸地点经常变更动的场所 ,如:港口、码头、车站、煤场、仓库、建筑工地、沙石料场、农场等 。

- 板链式输送机
- 板链式输送机广泛应用于冶金、煤炭、化工、电力、机械制造、汽车等行业 。

- 螺旋输送机(GX、LS型)
- GX型螺旋输送机是利用螺旋转动将物料沿机壳连续推移而进行输送的 。本机具有结构简单 ,外形尺寸小 ,成本低 ,操作安全 ,能按工艺要求满足多点进料和排料 。

- 矿山输送机械
- 埋刮板输送机是输送粉尘状、小颗粒及小块状等物料的连续运输设备 ,可以水平、倾斜输送 ,输送物料时 ,刮板链条全埋在物料之中 。本机具有结构简单 ,使用可靠 ,造价低廉 ,输送距离长 ,并能输送灼热物料等优点 ,是常用的矿山输送机械 。

- 装车输送机
- 装车输送机普遍应用于港口、码头、车站、机场、仓库、矿山、邮电、电器、轻工、食品等行业 。

- 大倾角波纹挡边输送机
- 大倾角波纹挡边输送机是散状物料连续输送设备 ,采用的是具有波纹挡边和横隔板的输送带 。因此波纹挡边输送机特别适用于大倾角(最大90°)连续输送物料 。广泛用于煤炭、粮食、建材、化工、水电和冶金等部门 。

- 链式输送机(FU型)
- FU型链式输送机 ,是引进国外先进技术 ,并进行了独创性的改进设计后制造出来的一种用于水平(或倾斜≤15°)输送粉状、粒状物料的机械新产品

- 大倾角皮带输送机
- 大倾角皮带输送机可用于煤炭、化工、建材、冶金、电力、轻工、粮食、港口、船舶等行业 。

- 管状带式输送机,管状输送机
- 管状带式输送机可广泛应用于电力、建材、化工、矿山、冶金、码头、港口、煤炭、粮食等行业物料输送系统 。

- 移动式皮带输送机
- DY型移动式输送机是一种工程上使用较多的设备 ,主要用于装卸地点经常变动的场合 ,如:港口、码头、车站、煤场、仓库、建筑工地、砂石料场、农场等 ,用来短途运输及装卸散料或单件重100公斤以下的成件物品 。

- 座式电磁振动输送机
- GZF、ZDZ-B/L系列电磁振动输送机广泛应用于冶金、建材、煤炭、轻工、机械、粮食等各行业中 ,用于扰小块状、粉状物料均匀连续地输送;也适用有毒、飞扬物料的输送 。

- 链式输送机
- fu链式输送机广泛用于建材、建筑、化工、矿山、机械、冶炼、粮饲加工等行业 ,是一种理想的新型输送设备 。

- 固定带式输送机
- 固定带式输送机是一种输送量大、运行费用低、使用范围广的输送设备 。

- 移动输送机
- DY型移动输送机是一种工程上使用较多的设备 ,主要用于装卸地点经常变动的场合 ,如:港口、码头、车站、煤场、仓库、建筑工地、砂石料场、农场等 ,用来短途运输及装卸散料或单件重100公斤以下的成件物品 。

- 管式电磁振动输送机(GZXG)
- 结构简单 ,安装方便 ,不需润滑 ,使用寿命长 ,耗电少等优点 。本机采用可控硅半波整流控制线路 ,可以无级调节输送量 ,实现生产流程的集中控制和自动控制 。

- 移动式输送机
- DY型移动式输送机是一种工程上使用较多的设备 ,主要用于装卸地点经常变动的场合 ,如:港口、码头、车站、煤场、仓库、建筑工地、砂石料场、农场等 ,用来短途运输及装卸散料或单件重100公斤以下的成件物品 。

- 伸缩输送机
- 伸缩输送机由主体加架和伸缩机架组成 ,输送长度根据需要伸缩调节 ,能适应各种场所颗粒物料的输送作业 ,移动转场安全方便 ,存放时占用空间小 。

- 链条输送机
- 链条输送机是以链条作为牵引和承载体输送物料,链条可以采用普通的套筒滚子输送链,也可采用其它各种特种链条(如积放链,倍速链) 。

- 电机振动输送机(DZS型)
- DZS型电机振动输送机、输送槽为U形槽和管形两种 。

- 固定式输送机
- 固定式输送机由于工艺结构简单、造价低;部件通用性强、维修方便;且输送量能够满足通常情况 ,因而成为一种大众型输送机 。

- 斗式输送机
- HB型链斗式输送机是一种固定输送机设备 。

- 挡边输送机
- 大倾角波形挡边输送机是散状物料连续输送设备 ,广泛用于煤炭、粮食、建材、化工、水电和冶金等部门 。

- 惯性振动输送机
- 惯性振动输送机用于各种粒状、中等块度以正反非粘性物料(含水量小于5%) 。适宜输送高磨耗、高温度(300℃以下)物料 。

- 垂直输送机
- 垂直输送机是一种新型的垂直振动输送设备 ,广泛适用于冶金、煤炭、建材、粮食、机械、医药、食品等行业 。用于粉状、颗粒状物料的垂直提升作业 ,输送机也可对物料进行干燥、冷却作业 。

- 板式输送机
- 板式输送机广泛应用于冶金、煤炭、化工、电力、机械制造及国民经济的其他工业部门 。
相关资讯
- 昊天螺旋输送机吊轴承的设计规范和要求
- 采煤机械化达到75%以上 国内市场竞争白热化
- 提高饲料厂振动筛工作效率的措施分析
- 工程机械市场有望迎来见底回升的发展势头
- 8万亿美元进口总规模 机电占一半
- 仓顶除尘器的应用及使用说明
- 国内程序控制超厚塑料焊接技术河北诞生
- 高频筛在选煤厂应用中的安全技术操作规范
- YVP系列变频调速三相异步电动机概述,特点与参数
- 去年机电产品出口占主导地位
- 关于圆振动筛先进结构及使用与维护要点
- 如何维护检修 ,才能延长电机振动给料机的使用寿命
- 关于圆振动筛 ,一定要看看哦
- 了解重型板式给料机的安装及操作要点
- 振动筛分机轴承温度过高引起的故障原因讲解
- 谈谈电机振动输送机的安装与调试方法
- 关于振动筛分机在试运行时的注意点讲解
- 星型卸料器的使用注意事项讲解
- 圆盘给料机在安装完毕后的试运行要点讲解
- 了解刮板给煤机发生堵煤的主要原因

- 与著名歌唱家宋祖英合影
- 与著名歌唱家宋祖英合影

- 到北京参加活动
- 到北京参加活动

- 与毛泽东饰演者合影
- 与毛泽东饰演者合影

- 参加著名书法家的书法展
- 参加著名书法家的书法展

- 与周恩来扮演着合影
- 与周恩来扮演着合影

- 接受央视著名主持人朱军的采访
- 接受央视著名主持人朱军的采访

- 书法展
- 书法展

- 与书法家协会主席研讨
- 与书法家协会主席研
输送机
- 斗式提升机
- 螺旋传输机
- 可弯曲刮板输送机
- 粉料螺旋输送机
- 有轴螺旋输送机
- 空气输送斜槽(XZ型)
- 多底板往复式输送机
- 圆管带式输送机
- 惯性振动输送机
- 惯性振动热料输送机(SZF型)
- 电机振动输送机(DZS型)
- 垂直振动输送机(ZC)
- 螺旋输送机(GLS型)
- 螺旋输送机(GX、LS型)
- 链式输送机(FU型)
- 座式电磁振动输送机
- 管式电磁振动输送机(GZXG)
- 曲柄振动输送机(ZPL型)
- 带式输送机(TD75)
给料机
- 中型板式给料机
- 轻型板式给料机
- 重型板式给料机
- 板式喂料机
- 星型卸料器
- 星型给料器
- 刮板给煤机
- 全封闭给煤机
- 座式圆盘给料机
- 链式给煤机
- 螺旋分料器
- 双螺旋给料机
- 叶轮给煤机
- 星型给料机
- 皮带给煤机
- 电磁电机振动给料机.
- 电机振动给料机
- 微型电振给料机
- 同步惯性给料机
- 振动放vwin德赢网官方下载(ZZF)
- 往复式给煤机(K型)
- 电磁振动给煤机(ZG)
- 宽槽型振动给煤机(GZGKM)
- 振动给煤机(GZGM-K)
- 圆盘给料机(DK、DB型)
- 刚性叶轮式给料机(GY型)
- 叶轮给料机(GF型)
- 回转下料器(星形卸灰阀)
- 惯性振动给料斗(GD)
- 微型电磁振动喂料机(GZV)
- 电磁振动给料机(DMA)
- 电磁振动给料机(GZ)
- 共振式隔爆给料机(XJG)
- 自同步惯性振动给料机
- 振动喂料机(ZSW)
- 振动喂料机(GZD)
- 槽式给料机
输送机
- 斗式提升机
- 螺旋传输机
- 可弯曲刮板输送机
- 粉料螺旋输送机
- 有轴螺旋输送机
- 空气输送斜槽(XZ型)
- 多底板往复式输送机
- 圆管带式输送机
- 惯性振动输送机
- 惯性振动热料输送机(SZF型)
- 电机振动输送机(DZS型)
- 垂直振动输送机(ZC)
- 螺旋输送机(GLS型)
- 螺旋输送机(GX、LS型)
- 链式输送机(FU型)
- 座式电磁振动输送机
- 管式电磁振动输送机(GZXG)
- 曲柄振动输送机(ZPL型)
- 带式输送机(TD75)
振动筛
破碎机
砂石生产线
- 制砂机生产线
- 细碎制砂机
- 碎石机械
- 碎石机生产线(碎石生产线)
- 石英石制砂机
- 青石制砂机
- 破碎机生产线
- 机制砂石设备
- 河卵石制砂机
- 复合式制砂机
- 鹅卵石制砂机
- 锤式打砂机
- 冲击式石头制砂机(冲击式制砂机)
- 碎石生产设备
- 碎石破碎机
- 石料破碎设备
- 矿山破碎设备
- 石子粉碎机
- 石头粉碎机
- 石料破碎
振动电机
其他设备
电话:0513-80686000
0513-88773999

.jpg)
.png)
.jpg)
.jpg)