GF型叶轮给料机是火力发电厂储仓式制粉系统供给vwin德赢网官方下载燃料的主要设备 ,用它把煤粉连续、均匀地送入一次风管 ,吹进vwin德赢网官方下载燃烧 。靠它调节给粉量来控制vwin德赢网官方下载温度和压力 ,从而保证要求的vwin德赢网官方下载出力 。
叶轮给料机的出力是按一定的容积比重确定的 。因此 ,对于建材、冶金、化工、民用等部分的制粉系统 ,也要根据技术性能广为选用 。
![]()

主要技术参数:
|
GF-1.5 |
GF-3 |
GF-6 |
GF-9 |
GF-12 |
GF-15 |
|||
|
额定出力(t/h) |
0.5-1.5 |
1-3 |
2-6 |
3-9 |
4-12 |
5-15 |
|||
|
设计选用煤比重(t/m3) |
0.65 |
||||||||
|
叶轮直径(mm) |
Φ313 |
Φ386 |
|||||||
|
叶轮齿数(齿) |
12 |
||||||||
|
额定主轴转数(r.p.m) |
9-40 |
21-81 |
21-81 |
||||||
|
传动比(i) |
1:27 |
1:13.5 |
1:13.5 |
||||||
|
外形尺寸(mm) |
807×984×1158 |
989×1213×1340 |
|||||||
|
总重(不计电机)(kg) |
354 | 480 | |||||||
|
名 称 |
电磁调速异步电动机 |
|
型 号
功 率(kw)
转 数(rpm)
电 压(V)
重 量(kg) |
JZTy-31-4
2.2
120-1200
220/380
140 |
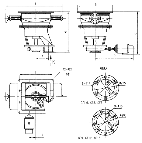
GF型叶轮给粉机是一种定量给粉设备 。给粉量的调节是靠改变电磁调速异步电动机的转数来达到的 。变速系统是由一级蜗轮与蜗杆付构成的 。如图1所示:
当变速时由蜗杆付通过安装在同一主轴上的刮板 ,供给叶轮和测量叶轮带着煤粉在供给叶轮壳内转180°到供给叶轮壳缺口处 ,落到测量叶轮内的齿槽 ,测量叶轮再转180°又把煤粉带到下部体内的缺口处煤粉即落入出粉管中 ,按此过程就达到连续、均匀给粉和防止停机时煤粉自流的目的 。
外形尺寸:

|
型 号 |
出力(t/h) |
A |
B |
C |
D |
E |
F |
L |
H |
|
GF-1.5 |
0.5-1.5 |
235 |
569×560 |
807 |
878 |
510(170×3) |
92.5 |
984 |
687 |
|
GF-3 |
1-3 |
||||||||
|
GF-6 |
2-6 |
||||||||
|
GF-9 |
3-9 |
278 |
670×670 |
989 |
612(204×3) |
1340 |
939 |
||
|
GF-12 |
4-12 |
||||||||
|
GF-15 |
5-15 |
1.本机配套供应JZTy-31-4型交流电磁调速异步电动机 。对控制设备的配套数量和类型 ,需在订合同时商定 。
2.本机也适用于ZT2-52型直流电动机 ,需用时 ,可另行商定 。

南通vwin德赢网官方下载重工机械有限公司司座落在vwin德赢网官方下载的长江入海口北侧、绿茵如毯的江海平原上 ,东临黄海 ,南达沪杭 ,西通宁扬 ,北接盐阜、扼守苏中交通与中国最大的工业城——上海隔江相望 ,距大型港口城市——南通仅70余公里 。境内新长铁路、宁启铁路、204国道、328国道纵横交 汇 ,交通条件极为便捷 。公司内vwin德赢网官方下载优雅、花木宜人 ,花园般的厂区 vwin德赢网官方下载让人心旷神怡

南通vwin德赢网官方下载重工机械有限公司主要生产各种规格的矿山机械、输送机械、振动输送机 、振动给料机 、振动筛分机、仓壁振动器、板式给料机等等 ,公司拥有先进的设备 ,优秀的技术 。公司经过改制、重组后 ,积极建立、健全和完善现代企业制度 ,逐步形成了一套有效、高效的运 行机制和管理模式 ,企业正以全新的面貌谱写vwin德赢网官方下载发展征程上新的华章 。公司一直致力于产品结构的调整优化 。
高品质的产品使南通vwin德赢网官方下载重工机械有限公司赢得了较好的市场信誉 。目前 ,vwin德赢网官方下载机械正以体制股份化、制度规范化、运营科学化、管理现代化企业的行列;正以雄厚的实力、先进的产品、多样的品类、优质的工艺在国内同行业中异军突起 ,好评不断!

南通vwin德赢网官方下载重工机械有限公司
电话:0513-88773999
地址:河北省海安县開發区南沙大路(东)1号
- 叶轮给料机
- 叶轮给料机的出力是按一定的容积比重确定的 。因此对于建材、冶金、化工、民用等部门的制粉系统 ,也可根据技术性能广为选用 ,欢迎订货 。

- 叶轮给料机(GF型)
- 叶轮给料机的出力是按一定的容积比重确定的 。因此 ,对于建材、冶金、化工、民用等部分的制粉系统 ,也要根据技术性能广为选用 。
相关资讯

- 与著名歌唱家宋祖英合影
- 与著名歌唱家宋祖英合影

- 到北京参加活动
- 到北京参加活动

- 与毛泽东饰演者合影
- 与毛泽东饰演者合影

- 参加著名书法家的书法展
- 参加著名书法家的书法展

- 与周恩来扮演着合影
- 与周恩来扮演着合影

- 接受央视著名主持人朱军的采访
- 接受央视著名主持人朱军的采访

- 书法展
- 书法展

- 与书法家协会主席研讨
- 与书法家协会主席研
给料机
- 中型板式给料机
- 轻型板式给料机
- 重型板式给料机
- 板式喂料机
- 星型卸料器
- 星型给料器
- 刮板给煤机
- 全封闭给煤机
- 座式圆盘给料机
- 链式给煤机
- 螺旋分料器
- 双螺旋给料机
- 叶轮给煤机
- 星型给料机
- 皮带给煤机
- 电磁电机振动给料机.
- 电机振动给料机
- 微型电振给料机
- 同步惯性给料机
- 振动放vwin德赢网官方下载(ZZF)
- 往复式给煤机(K型)
- 电磁振动给煤机(ZG)
- 宽槽型振动给煤机(GZGKM)
- 振动给煤机(GZGM-K)
- 圆盘给料机(DK、DB型)
- 刚性叶轮式给料机(GY型)
- 叶轮给料机(GF型)
- 回转下料器(星形卸灰阀)
- 惯性振动给料斗(GD)
- 微型电磁振动喂料机(GZV)
- 电磁振动给料机(DMA)
- 电磁振动给料机(GZ)
- 共振式隔爆给料机(XJG)
- 自同步惯性振动给料机
- 振动喂料机(ZSW)
- 振动喂料机(GZD)
- 槽式给料机
给料机
- 中型板式给料机
- 轻型板式给料机
- 重型板式给料机
- 板式喂料机
- 星型卸料器
- 星型给料器
- 刮板给煤机
- 全封闭给煤机
- 座式圆盘给料机
- 链式给煤机
- 螺旋分料器
- 双螺旋给料机
- 叶轮给煤机
- 星型给料机
- 皮带给煤机
- 电磁电机振动给料机.
- 电机振动给料机
- 微型电振给料机
- 同步惯性给料机
- 振动放vwin德赢网官方下载(ZZF)
- 往复式给煤机(K型)
- 电磁振动给煤机(ZG)
- 宽槽型振动给煤机(GZGKM)
- 振动给煤机(GZGM-K)
- 圆盘给料机(DK、DB型)
- 刚性叶轮式给料机(GY型)
- 叶轮给料机(GF型)
- 回转下料器(星形卸灰阀)
- 惯性振动给料斗(GD)
- 微型电磁振动喂料机(GZV)
- 电磁振动给料机(DMA)
- 电磁振动给料机(GZ)
- 共振式隔爆给料机(XJG)
- 自同步惯性振动给料机
- 振动喂料机(ZSW)
- 振动喂料机(GZD)
- 槽式给料机
输送机
- 斗式提升机
- 螺旋传输机
- 可弯曲刮板输送机
- 粉料螺旋输送机
- 有轴螺旋输送机
- 空气输送斜槽(XZ型)
- 多底板往复式输送机
- 圆管带式输送机
- 惯性振动输送机
- 惯性振动热料输送机(SZF型)
- 电机振动输送机(DZS型)
- 垂直振动输送机(ZC)
- 螺旋输送机(GLS型)
- 螺旋输送机(GX、LS型)
- 链式输送机(FU型)
- 座式电磁振动输送机
- 管式电磁振动输送机(GZXG)
- 曲柄振动输送机(ZPL型)
- 带式输送机(TD75)
振动筛
破碎机
砂石生产线
- 制砂机生产线
- 细碎制砂机
- 碎石机械
- 碎石机生产线(碎石生产线)
- 石英石制砂机
- 青石制砂机
- 破碎机生产线
- 机制砂石设备
- 河卵石制砂机
- 复合式制砂机
- 鹅卵石制砂机
- 锤式打砂机
- 冲击式石头制砂机(冲击式制砂机)
- 碎石生产设备
- 碎石破碎机
- 石料破碎设备
- 矿山破碎设备
- 石子粉碎机
- 石头粉碎机
- 石料破碎
振动电机
其他设备
电话:0513-80686000
0513-88773999

.jpg)
.png)
.jpg)


.jpg)