电磁振动给料机广泛使用在冶金、煤炭、电子、机械、化工、建材、轻工、粮食等工矿企业中 ,在生产流程中 ,用于反块状、颗粒状、粉状物料从贮料仓或漏斗中定量、均匀、连续地给到受料装置中去 。
特点: (1)电磁振动给料机电气控制采用可控硅半波整流线路 。可无级调节给料量 ,可用于自动控制的生产流程中 ,实现生产自动化 。 (2)无转动零部件 ,不需润滑 ,结构简单 ,维修方便 。 (3)物料呈微抛运动 ,料槽磨损小 。 (4)采用合金钢板制成的料槽 ,可适用输送高温、磨损严重及有腐蚀性的物料等 。
![]()

![]()
| 类型 | 型号 | 生产率 (t/h) |
给料粒度 (mm) |
双振幅 (mm) |
振动频率 (次/分) |
供电电压(V) | 电流(A) | 有功功率 (KW) |
重量 (kg) |
||
| 水平 | -100 | 工作电流 | 表示电流 | ||||||||
|
基本型
|
GZ1
|
5
|
7
|
50
|
1.75
|
3000
|
220
|
1.34
|
1.0
|
0.06
|
77
|
|
GZ2
|
10
|
14
|
50
|
3.0
|
2.3
|
0.15
|
151
|
||||
|
GZ3
|
25
|
35
|
75
|
4.6
|
3.8
|
0.20
|
233
|
||||
|
GZ4
|
50
|
70
|
100
|
8.4
|
7.0
|
0.45
|
460
|
||||
|
GZ5
|
100
|
140
|
150
|
12.7
|
10.6
|
0.65
|
668
|
||||
|
GZ6
|
150
|
210
|
200
|
1.5
|
380
|
16.4
|
13.3
|
1.5
|
1271
|
||
|
GZ7
|
250
|
350
|
300
|
24.6
|
20
|
2.5
|
1920
|
||||
|
GZ8
|
400
|
560
|
300
|
39.4
|
32
|
4.0
|
3040
|
||||
|
GZ9
|
600
|
840
|
500
|
47.6
|
38.6
|
5.5
|
3750
|
||||
|
GZ10
|
750
|
1050
|
500
|
39.4×2
|
32×2
|
4.0×2
|
6491
|
||||
|
GZ11
|
1000
|
1400
|
500
|
47.6×2
|
38.6×2
|
5.5×2
|
7680
|
||||
|
上振型
|
GZ3S
|
25
|
35
|
75
|
1.75
|
220
|
4.6
|
3.8
|
0.20
|
242
|
|
|
GZ4S
|
50
|
70
|
100
|
8.4
|
7.0
|
0.45
|
457
|
||||
|
GZ5S
|
100
|
140
|
150
|
12.7
|
10.6
|
0.65
|
666
|
||||
|
GZ6S
|
150
|
210
|
200
|
1.5
|
380
|
16.4
|
13.3
|
1.5
|
1246
|
||
|
GZ7S
|
250
|
350
|
250
|
24.6
|
20
|
2.5
|
1963
|
||||
|
GZ8S
|
400
|
560
|
300
|
39.4
|
32
|
4.0
|
3306
|
||||
|
封闭型
|
GZ1F
|
4
|
5.6
|
40
|
1.75
|
220
|
1.34
|
1.0
|
0.06
|
78
|
|
|
GZ2F
|
8
|
11.2
|
40
|
3.0
|
2.3
|
0.15
|
154
|
||||
|
GZ3F
|
20
|
28
|
60
|
4.6
|
3.8
|
0.20
|
247
|
||||
|
GZ4F
|
40
|
50
|
60
|
8.4
|
7.0
|
0.45
|
464
|
||||
|
GZ5F
|
80
|
112
|
80
|
12.7
|
10.6
|
0.65
|
668
|
||||
|
GZ6F
|
120
|
168
|
80
|
1.5
|
380
|
16.4
|
13.3
|
1.5
|
1278
|
||
|
轻槽型
|
GZ5Q
|
100
|
140
|
200
|
1.75
|
220
|
12.7
|
10.6
|
0.65
|
653
|
|
|
GZ6Q
|
150
|
200
|
250
|
1.5
|
380
|
16.4
|
13.3
|
1.5
|
1326
|
||
|
GZ7Q
|
250
|
350
|
300
|
24.6
|
20
|
2.5
|
1992
|
||||
|
GZ8Q
|
400
|
560
|
350
|
39.4
|
32
|
4.0
|
3046
|
||||
|
平槽型
|
GZ5P
|
50
|
140
|
100
|
1.75
|
220
|
12.7
|
10.6
|
0.65
|
633
|
|
|
GZ6P
|
75
|
210
|
300
|
1.5
|
380
|
16.4
|
13.3
|
1.5
|
1238
|
||
|
GZ7P
|
125
|
350
|
350
|
24.6
|
20
|
2.5
|
1858
|
||||
|
宽槽型
|
GZ5K1
|
|
200
|
100
|
1.5
|
220
|
12.7×2
|
10.6×2
|
0.65×2
|
1212
|
|
|
GZ5K2
|
|
240
|
100
|
1343
|
|||||||
|
GZ5K3
|
|
270
|
100
|
1376
|
|||||||
|
GZ5K4
|
|
300
|
100
|
1408
|
|||||||
| 设备选型 |
| 主要选型 |
|
| 其实容重大事件于或乘以所诉计算出来容重时 ,生产方式率按其实货物容重使用换算 。 | ||||||||||||||||||||||||||||||||||||||||||||||||||
| 粒度小于1mm的物料 ,输送速度下降 ,含水量大于10%的潮湿粘性物料不能正常输送 ,料层厚度超过一定值 ,会妨碍正常给料 ,推荐H=(1/3-1/4)槽高 。 | ||||||||||||||||||||||||||||||||||||||||||||||||||
| 对有特殊要求、特殊规格的产品 ,我厂可专门设计制作 。 | ||||||||||||||||||||||||||||||||||||||||||||||||||
| 配套控制箱 | ||||||||||||||||||||||||||||||||||||||||||||||||||
|
||||||||||||||||||||||||||||||||||||||||||||||||||
|

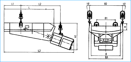
| 型号 | L | L1 | L2 | L3 | H | H1 | B | B1 | B2 | B3 |
| GZ1 | 600 | 209 | 550 | 910 | 100 | 360 | 200 | 280 | 340 | 376 |
| GZ2 | 800 | 310 | 660 | 1175 | 120 | 450 | 300 | 388 | 458 | 508 |
| GZ3 | 900 | 311 | 790 | 1325 | 150 | 520 | 400 | 496 | 542 | 578 |
| GZ4 | 1100 | 413 | 965 | 1615 | 200 | 645 | 500 | 620 | 686 | 762 |
| GZ5 | 1200 | 463 | 1050 | 1815 | 250 | 765 | 700 | 850 | 761 | 840 |
| GZ6-GZ9基本型电磁振动给料机 |

上振型电磁振动给料机

| 型号 | L | L1 | L2 | L3 | H | H1 | H2 | H3 | B | B1 | B2 |
| GZ3S | ~1730 | 1030 | 360 | 1000 | 100 | ~690 | ~340 | 89 | 400 | ~490 | 518 |
| GZ4S | ~2020 | 1220 | 410 | 1100 | 120 | ~865 | ~400 | 110 | 500 | ~620 | 586 |
| GZ5S | ~2260 | 1330 | 465 | 1200 | 120 | ~960 | ~420 | 129 | 700 | ~845 | 761 |
| GZ6S | ~2900 | 1640 | 650 | 1600 | 150 | ~1345 | ~790 | 145 | 900 | 1020 | 720 |
| GZ7S | ~3230 | 1800 | 750 | 1800 | 150 | ~1570 | ~910 | 161 | 1100 | 1233 | 840 |
| GZ8S | ~4080 | 2330 | 850 | 2200 | 180 | ~1980 | ~1040 | 203 | 1300 | 1426 | 930 |
| 封闭型电磁振动给料机
|
| 型号 | L | L1 | L2 | L3 | H1 | H | B1 | B2 | B |
| GZ1F | 600 | 246 | 716 | 1064 | 410 | 108 | 250 | 340 | 375 |
| GZ2F | 800 | 288 | 903 | 1042 | 520 | 135 | 358 | 458 | 517 |
| GZ3F | 1000 | 300 | 1082 | 1695 | 520 | 170 | 464 | 527 | 585 |
| GZ4F | 1100 | 451 | 1306 | 1940 | 750 | 208 | 574 | 686 | 762 |
| GZ5F | 1200 | 528 | 1483 | 2190 | 893 | 255 | 784 | 761 | 868 |
| GZ6F | 1600 | 584 | 1684 | 2835 | 1200 | 265 | 949 | 720 | 1120 |
| 封闭型进出料口尺寸 | |||||||||||||||||||||||||||||||||||||||||||||||||||||||||
|
|||||||||||||||||||||||||||||||||||||||||||||||||||||||||

轻槽型、平槽型电磁振动给料机

| 型号 | L | L1 | L2 | L3 | H | H1 | B | B1 | B2 | B3 |
| GZ5Q | 1600 | 488 | 1414 | 2189 | 250 | 644 | 900 | 1042 | 761 | 1104 |
| GZ6Q | 1800 | 650 | 1406 | 2610 | 250 | 1066 | 1100 | 1257 | 720 | 1192 |
| GZ7Q | 2200 | 750 | 1738 | 3150 | 300 | 1240 | 1300 | 1467 | 840 | 1635 |
| GZ8Q | 2400 | 800 | 1906 | 3464 | 300 | 1360 | 1500 | 1672 | 1000 | 1866 |
| GZ5Q | 1200 | 388 | 1140 | 1815 | 250 | 647 | 900 | 1040 | 761 | 1202 |
| GZ6Q | 1400 | 450 | 1233 | 2366 | 250 | 1030 | 1100 | 1232 | 720 | 1292 |
| GZ7Q | 1600 | 500 | 1440 | 2574 | 250 | 1089 | 1300 | 1457 | 840 | 1532 |
| 宽槽型电磁振动给料机
|
| 型号 | B | B1 | B2 | B3 |
| GZ5K1 | 1600 | 1750 | 900 | ~1872 |
| GZ5K2 | 1900 | 2050 | 100 | ~2172 |
| GZ5K3 | 2200 | 2350 | 1200 | ~2475 |
| GZ5K4 | 2500 | 2650 | 1400 | ~2772 |
| 电磁振动给料机控制箱 | |||||||||||||||||||||||||||||
|
|||||||||||||||||||||||||||||


南通vwin德赢网官方下载重工机械有限公司司座落在vwin德赢网官方下载的长江入海口北侧、绿茵如毯的江海平原上 ,东临黄海 ,南达沪杭 ,西通宁扬 ,北接盐阜、扼守苏中交通与中国最大的工业城——上海隔江相望 ,距大型港口城市——南通仅70余公里 。境内新长铁路、宁启铁路、204国道、328国道纵横交 汇 ,交通条件极为便捷 。公司内vwin德赢网官方下载优雅、花木宜人 ,花园般的厂区 vwin德赢网官方下载让人心旷神怡

南通vwin德赢网官方下载重工机械有限公司主要生产各种规格的矿山机械、输送机械、振动输送机 、振动给料机 、振动筛分机、仓壁振动器、板式给料机等等 ,公司拥有先进的设备 ,优秀的技术 。公司经过改制、重组后 ,积极建立、健全和完善现代企业制度 ,逐步形成了一套有效、高效的运 行机制和管理模式 ,企业正以全新的面貌谱写vwin德赢网官方下载发展征程上新的华章 。公司一直致力于产品结构的调整优化 。
高品质的产品使南通vwin德赢网官方下载重工机械有限公司赢得了较好的市场信誉 。目前 ,vwin德赢网官方下载机械正以体制股份化、制度规范化、运营科学化、管理现代化企业的行列;正以雄厚的实力、先进的产品、多样的品类、优质的工艺在国内同行业中异军突起 ,好评不断!

南通vwin德赢网官方下载重工机械有限公司
电话:0513-88773999
地址:江苏省海安县开放区南海市国道(东)1号

- 电磁振动给料机GZ2F
- 电磁振动给料机GZ2F广泛使用在冶金、煤炭、电子、机械、化工、建材、轻工、粮食等工矿企业中 ,在生产流程中 ,用于反块状、颗粒状、粉状物料从贮料仓或漏斗中定量、均匀、连续地给到受料装置中去 。

- 电磁振动
- GZ电磁振动给料机广泛使用在冶金、煤炭、电子、机械、化工、建材、轻工、粮食等行业中 ,在生产流程中 ,电磁振动给料机(震动给料机)用于把块状、颗粒状、粉状物料从贮料仓或漏斗中定量、均匀、连续地给到受料装置中去 。

- 电磁振动给料机
- 电磁振动给料机广泛应用于水泥、矿山、冶金、煤炭、化工、陶瓷、粮食 ,电力等工矿企业中 ,电磁振动给料机适合把块状及粉末状物料以贮料仓或漏斗中连续均匀或定量地给到受料装置中去与电子秤或微机配料等设备配套 ,实现生产自动化的理想设备 ,也可以单独工作送料稳定

- 微型电磁振动给料机
- 微型电磁振动给料机广泛应用于轻工、化工、粮食加工、商业等行业 ,用于粉状、颗料状物料的给料、配料及定量自动包装等生产流程中 ,并可实现集中控制和自动控制 。

- dma电磁振动给料机
- dma电磁振动给料机广泛应用于冶金、矿山、煤炭、建材、化工、电力、粮食、机械等行业 ,可将颗粒状、粉状物料均匀、连续、定量地送至受料装置 。dma电磁振动给料机特别适用于自动配料、定量包装、生产流程自动化、给料精度要求高的场合 。

- 微型电磁振动给料机(电磁振动给料机)
- 微型电磁振动给料机广泛应用于轻工、化工、粮食加工、商业等行业 ,用于粉状、颗粒状物料的给料、配料及定量自动包装等生产流程中 ,并可实现集中控制和自动控制 。与其它形式给料机相比 ,具有体积小、选题轻、结构简单、耗电省、可无级调节给料量等特点 。

- 电磁振动给料机(微型电磁振动给料机)
- 电磁振动给料机广泛应用于矿山、冶金、煤炭、建材、轻工、化工、电力、机械、粮食等各行各业中 ,用于把块状、颗粒状及粉状物料从贮料仓或漏斗中均匀连续或定量地给到受料装置中去 。

- 电磁振动给料机(DMA)
- DMA电磁振动给料机广泛应用于冶金、矿山、煤炭、建材、化工、电力、粮食、机械等行业 ,可将颗粒状、粉状物料均匀、连续、定量地送至受料装置 。特别适用于自动配料、定量包装、生产流程自动化、给料精度要求高的场合 。

- 电磁振动给料机(GZ)
- 电磁振动给料机广泛使用在冶金、煤炭、电子、机械、化工、建材、轻工、粮食等工矿企业中 ,在生产流程中 ,用于反块状、颗粒状、粉状物料从贮料仓或漏斗中定量、均匀、连续地给到受料装置中去 。
相关资讯
- 电机轴承的使用与选择
- 哈理工大学成功研制超硬系列刀具
- 振动给料机的简介
- 斗式提升机的简介和特点
- 化工泵工作原理
- 星形卸灰阀的概述
- 电磁振动给料机具有哪些性能优势呢
- 同步电机频繁损坏原因分析与改进对策
- 沪杭磁悬浮遭遇冷处理
- 振动喂料机需要定期检查是否正常工作
- 关于圆振动筛先进结构及使用与维护要点
- 如何维护检修 ,才能延长电机振动给料机的使用寿命
- 关于圆振动筛 ,一定要看看哦
- 了解重型板式给料机的安装及操作要点
- 振动筛分机轴承温度过高引起的故障原因讲解
- 谈谈电机振动输送机的安装与调试方法
- 关于振动筛分机在试运行时的注意点讲解
- 星型卸料器的使用注意事项讲解
- 圆盘给料机在安装完毕后的试运行要点讲解
- 了解刮板给煤机发生堵煤的主要原因

- 与著名歌唱家宋祖英合影
- 与著名歌唱家宋祖英合影

- 到北京参加活动
- 到北京参加活动

- 与毛泽东饰演者合影
- 与毛泽东饰演者合影

- 参加著名书法家的书法展
- 参加著名书法家的书法展

- 与周恩来扮演着合影
- 与周恩来扮演着合影

- 接受央视著名主持人朱军的采访
- 接受央视著名主持人朱军的采访

- 书法展
- 书法展

- 与书法家协会主席研讨
- 与书法家协会主席研
给料机
- 中型板式给料机
- 轻型板式给料机
- 重型板式给料机
- 板式喂料机
- 星型卸料器
- 星型给料器
- 刮板给煤机
- 全封闭给煤机
- 座式圆盘给料机
- 链式给煤机
- 螺旋分料器
- 双螺旋给料机
- 叶轮给煤机
- 星型给料机
- 皮带给煤机
- 电磁电机振动给料机.
- 电机振动给料机
- 微型电振给料机
- 同步惯性给料机
- 振动放vwin德赢网官方下载(ZZF)
- 往复式给煤机(K型)
- 电磁振动给煤机(ZG)
- 宽槽型振动给煤机(GZGKM)
- 振动给煤机(GZGM-K)
- 圆盘给料机(DK、DB型)
- 刚性叶轮式给料机(GY型)
- 叶轮给料机(GF型)
- 回转下料器(星形卸灰阀)
- 惯性振动给料斗(GD)
- 微型电磁振动喂料机(GZV)
- 电磁振动给料机(DMA)
- 电磁振动给料机(GZ)
- 共振式隔爆给料机(XJG)
- 自同步惯性振动给料机
- 振动喂料机(ZSW)
- 振动喂料机(GZD)
- 槽式给料机
给料机
- 中型板式给料机
- 轻型板式给料机
- 重型板式给料机
- 板式喂料机
- 星型卸料器
- 星型给料器
- 刮板给煤机
- 全封闭给煤机
- 座式圆盘给料机
- 链式给煤机
- 螺旋分料器
- 双螺旋给料机
- 叶轮给煤机
- 星型给料机
- 皮带给煤机
- 电磁电机振动给料机.
- 电机振动给料机
- 微型电振给料机
- 同步惯性给料机
- 振动放vwin德赢网官方下载(ZZF)
- 往复式给煤机(K型)
- 电磁振动给煤机(ZG)
- 宽槽型振动给煤机(GZGKM)
- 振动给煤机(GZGM-K)
- 圆盘给料机(DK、DB型)
- 刚性叶轮式给料机(GY型)
- 叶轮给料机(GF型)
- 回转下料器(星形卸灰阀)
- 惯性振动给料斗(GD)
- 微型电磁振动喂料机(GZV)
- 电磁振动给料机(DMA)
- 电磁振动给料机(GZ)
- 共振式隔爆给料机(XJG)
- 自同步惯性振动给料机
- 振动喂料机(ZSW)
- 振动喂料机(GZD)
- 槽式给料机
输送机
- 斗式提升机
- 螺旋传输机
- 可弯曲刮板输送机
- 粉料螺旋输送机
- 有轴螺旋输送机
- 空气输送斜槽(XZ型)
- 多底板往复式输送机
- 圆管带式输送机
- 惯性振动输送机
- 惯性振动热料输送机(SZF型)
- 电机振动输送机(DZS型)
- 垂直振动输送机(ZC)
- 螺旋输送机(GLS型)
- 螺旋输送机(GX、LS型)
- 链式输送机(FU型)
- 座式电磁振动输送机
- 管式电磁振动输送机(GZXG)
- 曲柄振动输送机(ZPL型)
- 带式输送机(TD75)
振动筛
破碎机
砂石生产线
- 制砂机生产线
- 细碎制砂机
- 碎石机械
- 碎石机生产线(碎石生产线)
- 石英石制砂机
- 青石制砂机
- 破碎机生产线
- 机制砂石设备
- 河卵石制砂机
- 复合式制砂机
- 鹅卵石制砂机
- 锤式打砂机
- 冲击式石头制砂机(冲击式制砂机)
- 碎石生产设备
- 碎石破碎机
- 石料破碎设备
- 矿山破碎设备
- 石子粉碎机
- 石头粉碎机
- 石料破碎
振动电机
其他设备
电话:0513-80686000
0513-88773999



.jpg)
.png)
.jpg)


.jpg)